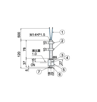
TOP樹脂製タテ取付 PP製/取付調整型 KP1 価格: ¥20,020 (税込) 販売期間: 接点動作: 選択してください 下向きON 上向きON 数量: 個 在庫: ○ 在庫 ○ 返品についての詳細はこちら 商品詳細 最大使用電圧AC300V DC300V 最大開閉容量AC50VA DC50W 最大開閉電流AC0.5A DC0.5A 接点間耐電圧DC400V(1分間) 接点接触抵抗100mΩ以下(初期値) 耐圧力2MPa(フロート) 耐熱温度100℃ 対象液比重0.75以上 備考 低比重で耐薬品性に優れています。接点動作の下向き・上向きONどちらかを選択してください。