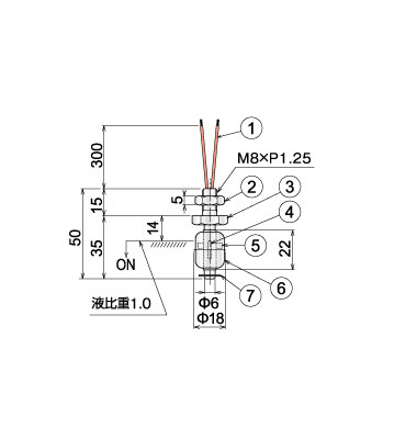
TOPステンレス製タテ取付 ステンレス製タテ取付/超小型 KS2M1 価格: ¥7,865 (税込) 販売期間: 接点動作: 選択してください 下向きON 上向きON 数量: 個 在庫: ○ 在庫 ○ 返品についての詳細はこちら 商品詳細 最大使用電圧AC100V DC100V 最大開閉容量AC10VA DC10W 最大開閉電流AC0.5A DC0.5A 接点間耐電圧DC150V(1分間) 接点接触抵抗100mΩ以下(初期値) 耐圧力2.5MPa(フロート) 耐熱温度100℃ 対象液比重0.95以上 備考 ステンレスでは業界最小サイズ。小型容器に最適です。接点動作の下向き・上向きONどちらかを選択してください。