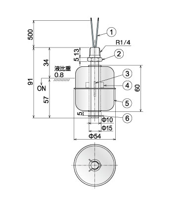
TOPステンレス製タテ取付 ステンレス製タテ取付/耐熱・耐圧・耐粘形 KS2THPV 価格: ¥25,850 (税込) 販売期間: 接点動作: 選択してください 下向きON 上向きON 数量: 個 在庫: ○ 在庫 ○ 返品についての詳細はこちら 商品詳細 定格使用電圧AC200V:0.5A DC110V:0.3A 最小使用電圧電流5V:1mA 接点間耐電圧AC500V(1分間) 接点接触抵抗250mΩ以下(初期値) 耐圧力6MPa(フロート) 耐熱温度200℃ 対象液比重0.8以上 備考 耐熱性があり、高圧容器にも使用できます。接点動作の下向き・上向きONどちらかを選択してください。