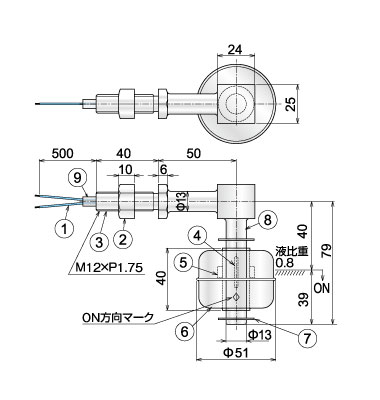
TOPステンレス製ヨコ取付 ステンレス製ヨコ取付/側面取付耐熱型 KS4TH(Max.200℃) 価格: ¥25,850 (税込) 販売期間: 接点動作: 選択してください 下向きON 上向きON 数量: 個 在庫: ○ 在庫 ○ 返品についての詳細はこちら 商品詳細 定格使用電圧AC220V:1A DC220V:0.2A 最小使用電圧電流24V:1mA 接点間耐電圧AC800V(1分間) 接点接触抵抗500mΩ以下(初期値) 耐圧力1MPa(フロート) 耐熱温度200℃ 対象液比重0.75以上 備考 Max200℃までの液体が測定できます。接点動作の下向き・上向きONどちらかを選択してください。