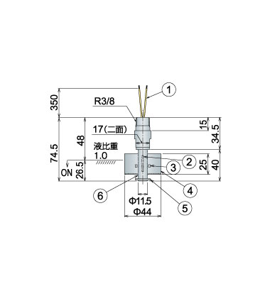
TOP樹脂製タテ取付 PVC製/ニップル取付型 KV2 価格: ¥16,390 (税込) 販売期間: 接点動作: 選択してください 下向きON 上向きON 数量: 個 在庫: ○ 在庫 ○ 返品についての詳細はこちら 商品詳細 最大使用電圧AC300V DC300V 最大開閉容量AC50VA DC50W 最大開閉電流AC0.5A DC0.5A 接点間耐電圧DC400V(1分間) 接点接触抵抗100mΩ以下(初期値) 耐圧力196KPa(フロート) 耐熱温度50℃ 対象液比重0.8以上 備考 耐候性、対溶剤性に優れています。接点動作の下向き・上向きONどちらかを選択してください。